ÓÀÀû

304amÓÀÀû¡¤(Öйú)¹É·ÝÓÐÏÞ¹«Ë¾-Officialwebsite Ä¿½ñλÖ㺠Ê×Ò³ ²úÆ·ÖÐÐÄ>LEDÕÕÃ÷Çý¶¯Ð¾Æ¬>µ÷¹â>¿ª¹Ø¿É¿Ø¹èµ÷¹â
¼òÊö
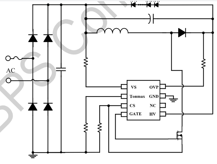
BP3288LÊÇÒ»¿î¸ßЧÂÊ¡¢¸ß PFÖµ£¬£¬£¬£¬ £¬£¬£¬ £¬Ö§³Ö¿É¿Ø¹èµ÷¹âµÄLEDÇý¶¯Ð¾Æ¬¡£¡£¡£¡£¡£¡£¡£¡£Ð¾Æ¬ÊÂÇéÔÚµç¸ÐµçÁ÷ÁÙ½çÒ»Á¬Ä£Ê½£¬£¬£¬£¬ £¬£¬£¬ £¬ÊÊÓÃÓÚ Buck-Boost ½á¹¹µÄ LED Çý¶¯µçÔ´¡£¡£¡£¡£¡£¡£¡£¡£ BP3288LоƬ½ÓÄÉÕ¤¼«Çý¶¯ºÍ¸ßѹ¹©µç·½·¨£¬£¬£¬£¬ £¬£¬£¬ £¬Ö»ÐèÒªºÜÉÙµÄÍâΧԪ¼þ£¬£¬£¬£¬ £¬£¬£¬ £¬¼´¿ÉʵÏÖÓÅÒìµÄºãÁ÷ÌØÕ÷£¬£¬£¬£¬ £¬£¬£¬ £¬¼«´óµÄ½ÚÔ¼ÁËϵͳ±¾Ç®ºÍÌå»ý¡£¡£¡£¡£¡£¡£¡£¡£ BP3288L¾ßÓжàÖØ± £»£»£»£»£» £»¤¹¦Ð§£¬£¬£¬£¬ £¬£¬£¬ £¬°üÀ¨LED¿ªÂ·± £»£»£»£»£» £»¤(¹ýѹ± £»£»£»£»£» £»¤)£¬£¬£¬£¬ £¬£¬£¬ £¬LED ¶Ì·± £»£»£»£»£» £»¤£¬£¬£¬£¬ £¬£¬£¬ £¬Ð¾Æ¬Î¶ȹýÈȵ÷ÀíµÈ¡£¡£¡£¡£¡£¡£¡£¡£
ÓÅÊÆ

    Ö§³Ö¿É¿Ø¹èµ÷¹â

    ÄÚÖà COMP ±Õ»·ºãÁ÷¿ØÖÆ

    ÁÙ½çÒ»Á¬µçÁ÷¿ØÖÆÄ£Ê½

    ¼¯³É 600V ¸ßѹ JFET ¹©µç

    ÎÞ VCC µçÈÝ

    ¡À5% LED Êä³öµçÁ÷¾«¶È

Ó¦ÓÃÁìÓò
  • LED ÇòÅݵÆ
  • LED À¯ÖòµÆ
  • ÆäËû LED ÕÕÃ÷
µä·¶Ó¦ÓÃÔ­Àíͼ
304amÓÀÀû¡¤(Öйú)¹É·ÝÓÐÏÞ¹«Ë¾-Officialwebsite
·â×°
  • 304amÓÀÀû¡¤(Öйú)¹É·ÝÓÐÏÞ¹«Ë¾-Officialwebsite
ÊÖÒÕÎĵµ
ÎĵµÀàÐÍ ÎÊÌâ ÀàÐÍ ÎļþÏÂÔØ
¹æ¸ñÊé BP3288L pdf ÍêÕû°æ
304amÓÀÀû¡¤(Öйú)¹É·ÝÓÐÏÞ¹«Ë¾-Officialwebsite
304amÓÀÀû¡¤(Öйú)¹É·ÝÓÐÏÞ¹«Ë¾-Officialwebsite
304amÓÀÀû¡¤(Öйú)¹É·ÝÓÐÏÞ¹«Ë¾-Officialwebsite
304amÓÀÀû¡¤(Öйú)¹É·ÝÓÐÏÞ¹«Ë¾-Officialwebsite
¡¾ÍøÕ¾µØÍ¼¡¿¡¾sitemap¡¿