ÓÀÀû

304amÓÀÀû¡¤(Öйú)¹É·ÝÓÐÏÞ¹«Ë¾-Officialwebsite Ä¿½ñλÖ㺠Ê×Ò³ ²úÆ·ÖÐÐÄ>LEDÕÕÃ÷Çý¶¯Ð¾Æ¬>µ÷¹â>¿ª¹Ø¿É¿Ø¹èµ÷¹â
¼òÊö
BP3276AHLÊÇÒ»¿î¸ßЧÂÊ¡¢¸ßPFÖµ£¬£¬£¬£¬£¬£¬£¬ £¬Ö§³Ö¿É¿Ø¹èµ÷¹âµÄLEDÇý¶¯Ð¾Æ¬¡£ ¡£¡£¡£¡£¡£Ð¾Æ¬ÊÂÇéÔÚµç¸ÐµçÁ÷ÁÙ½çÒ»Á¬Ä£Ê½£¬£¬£¬£¬£¬£¬£¬ £¬ÊÊÓÃÓÚBoost½á¹¹µÄ LED Çý¶¯µçÔ´¡£ ¡£¡£¡£¡£¡£ BP3276AHLоƬÄÚ²¿¼¯³É500V¹¦ÂÊ¿ª¹Ø£¬£¬£¬£¬£¬£¬£¬ £¬½ÓÄÉÕ¤¼«Çý¶¯ºÍ¸ßѹ¹©µç·½·¨£¬£¬£¬£¬£¬£¬£¬ £¬Ö»ÐèÒªºÜÉÙµÄÍâΧԪ¼þ£¬£¬£¬£¬£¬£¬£¬ £¬¼´¿ÉʵÏÖÓÅÒìµÄºãÁ÷ÌØÕ÷£¬£¬£¬£¬£¬£¬£¬ £¬¼«´óµÄ½ÚÔ¼ÁËϵͳ±¾Ç®ºÍÌå»ý¡£ ¡£¡£¡£¡£¡£BP3276AHL¾ßÓжàÖØ±£»£»£»£» £»£»£»¤¹¦Ð§£¬£¬£¬£¬£¬£¬£¬ £¬°üÀ¨LED¿ªÂ·±£»£»£»£» £»£»£»¤(¹ýѹ±£»£»£»£» £»£»£»¤)£¬£¬£¬£¬£¬£¬£¬ £¬Ð¾Æ¬Î¶ȹýÈȵ÷ÀíµÈ¡£ ¡£¡£¡£¡£¡£ BP3276AHL½ÓÄÉ SOP-8·â×°¡£ ¡£¡£¡£¡£¡£
ÓÅÊÆ

    Ö§³Ö¿É¿Ø¹èµ÷¹â

    ÄÚÖà COMP ±Õ»·ºãÁ÷¿ØÖÆ

    ÄÚ²¿¼¯³É500V¹¦ÂʹÜ

    ÁÙ½çÒ»Á¬µçÁ÷¿ØÖÆÄ£Ê½

    ¼¯³É 600V ¸ßѹ JFET¹©µç£¬£¬£¬£¬£¬£¬£¬ £¬ÎÞVCC µçÈÝ

    ¡À5% LED Êä³öµçÁ÷¾«¶È

Ó¦ÓÃÁìÓò
  • LED ÇòÅݵÆ
  • LED À¯ÖòµÆ
  • ÆäËû LED ÕÕÃ÷
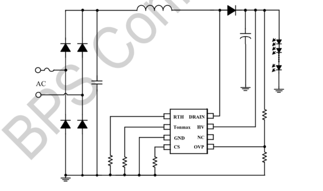
µä·¶Ó¦ÓÃÔ­Àíͼ
304amÓÀÀû¡¤(Öйú)¹É·ÝÓÐÏÞ¹«Ë¾-Officialwebsite
·â×°
  • 304amÓÀÀû¡¤(Öйú)¹É·ÝÓÐÏÞ¹«Ë¾-Officialwebsite
ÊÖÒÕÎĵµ
ÎĵµÀàÐÍ ÎÊÌâ ÀàÐÍ ÎļþÏÂÔØ
¹æ¸ñÊé BP3276AHL pdf ÍêÕû°æ
304amÓÀÀû¡¤(Öйú)¹É·ÝÓÐÏÞ¹«Ë¾-Officialwebsite
304amÓÀÀû¡¤(Öйú)¹É·ÝÓÐÏÞ¹«Ë¾-Officialwebsite
304amÓÀÀû¡¤(Öйú)¹É·ÝÓÐÏÞ¹«Ë¾-Officialwebsite
304amÓÀÀû¡¤(Öйú)¹É·ÝÓÐÏÞ¹«Ë¾-Officialwebsite
¡¾ÍøÕ¾µØÍ¼¡¿¡¾sitemap¡¿