ÓÀÀû

304amÓÀÀû¡¤(Öйú)¹É·ÝÓÐÏÞ¹«Ë¾-Officialwebsite Ä¿½ñλÖ㺠Ê×Ò³ ²úÆ·ÖÐÐÄ>LEDÕÕÃ÷Çý¶¯Ð¾Æ¬>µ÷¹â>ÏßÐԿɿعèµ÷¹â
¼òÊö
BP5178BC ÊÇÒ»¿î¸ß¶È¼¯³ÉµÄ¡¢Ö§³ÖµÍѹ¿É¿Ø¹èµ÷¹âµÄ¸ß¾«¶Èµ¥¶ÎÏßÐÔ LED ºãÁ÷Çý¶¯Ð¾Æ¬ ¡£ ¡£¡£¡£¡£¡£¡£¡£Ö÷ÒªÓÃÓÚÊеçÊäÈëµÄ¸ß¹¦ÂÊÒòÊýµÄÖÖÖÖ¹âÔ´ºÍµÆ¾ßµÄÇý¶¯£¬£¬£¬£¬ £¬£¬£¬Í¬Ê±¾ßÓÐÓÅÒìµÄ¿É¿Ø¹èµ÷¹âÆ÷¼æÈÝÐÔ ¡£ ¡£¡£¡£¡£¡£¡£¡£»£»£»£» £»£»£»ùÓÚÏßÐÔºãÁ÷ÊÖÒÕµÄ BP5178BC£¬£¬£¬£¬ £¬£¬£¬¿ÉÒÔʡȥµç½âµçÈݺʹÅÐÔÔª¼þÓÐÖúÓÚ LED Çý¶¯Æ÷ʵÏÖСÌå»ý¡¢³¤ÊÙÃü£¬£¬£¬£¬ £¬£¬£¬²¢ÇÐºÏ EMI±ê×¼ ¡£ ¡£¡£¡£¡£¡£¡£¡£ BP5178BC ¿ÉÒÔͨ¹ýÍⲿµç×è׼ȷµØÉ趨 LED µçÁ÷£¬£¬£¬£¬ £¬£¬£¬Ð¾Æ¬Í¨¹ýÓÅ»¯²î±ðÊäÈëµçѹϵÄÊäÈëµçÁ÷£¬£¬£¬£¬ £¬£¬£¬¿ÉÒÔ¼õСоƬµÄÏûºÄ£¬£¬£¬£¬ £¬£¬£¬ÓÅ»¯ÏµÍ³Ð§ÂÊ ¡£ ¡£¡£¡£¡£¡£¡£¡£ BP5178BC ͨ¹ýÉ趨·ÅµçÁ÷£¬£¬£¬£¬ £¬£¬£¬¿ÉÒÔʵÏÖÓÅÒìµÄ¿É¿Ø¹èµ÷¹âÆ÷¼æÈÝÐÔ ¡£ ¡£¡£¡£¡£¡£¡£¡£ BP5178BC ¾ßÓйýε÷Àí¹¦Ð§ ¡£ ¡£¡£¡£¡£¡£¡£¡£µ±Ð¾Æ¬Î¶ȹý¸ßʱ£¬£¬£¬£¬ £¬£¬£¬½«½µµÍÊä³öµçÁ÷ ¡£ ¡£¡£¡£¡£¡£¡£¡£
ÓÅÊÆ

    ÍâΧµç·¼òÆÓ£¬£¬£¬£¬ £¬£¬£¬Çý¶¯Æ÷Ìå»ýС

    ÓÅÒìµÄ¿É¿Ø¹èµ÷¹â¼æÈÝÐÔ

    ¼¯³ÉȥƵÉÁÏß·

    ÄÚÖà 350V ¸ßѹ MOS ¹Ü

    ĸÏßµçѹת±äÊ¿10%ÈÔ¿ÉÕý³£ÊÂÇé

    ¼¯³É¸ßѹÆô¶¯Ïß·£¬£¬£¬£¬ £¬£¬£¬³¬¿ì LED Æô¶¯

    ¡À5% LED Êä³öµçÁ÷¾«¶È

    LED µçÁ÷¿ÉÍⲿÉ趨

    ÄÚÖùýε÷Àí¹¦Ð§

    ½ÓÄÉ SOP8-EP ·â×°

Ó¦ÓÃÁìÓò
  • GU10/E27 LED ÇòÅݵơ¢Í²µÆ
  • LEDÎü¶¥µÆ
  • ÆäËûLED ÕÕÃ÷
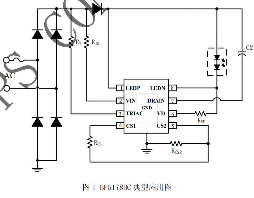
µä·¶Ó¦ÓÃÔ­Àíͼ
304amÓÀÀû¡¤(Öйú)¹É·ÝÓÐÏÞ¹«Ë¾-Officialwebsite
·â×°
  • 304amÓÀÀû¡¤(Öйú)¹É·ÝÓÐÏÞ¹«Ë¾-Officialwebsite
ÊÖÒÕÎĵµ
ÎĵµÀàÐÍ ÎÊÌâ ÀàÐÍ ÎļþÏÂÔØ
¹æ¸ñÊé pdf ÍêÕû°æ
¹æ¸ñÊé BP5178BC pdf dzÒ×°æ
304amÓÀÀû¡¤(Öйú)¹É·ÝÓÐÏÞ¹«Ë¾-Officialwebsite
304amÓÀÀû¡¤(Öйú)¹É·ÝÓÐÏÞ¹«Ë¾-Officialwebsite
304amÓÀÀû¡¤(Öйú)¹É·ÝÓÐÏÞ¹«Ë¾-Officialwebsite
304amÓÀÀû¡¤(Öйú)¹É·ÝÓÐÏÞ¹«Ë¾-Officialwebsite
¡¾ÍøÕ¾µØÍ¼¡¿¡¾sitemap¡¿