Ö§³Ö 1%-100%PWM µ÷¹â
È«³ÌÄ£Äâµ÷¹âÎÞÆµÉÁ
ÎÞÐèÆô¶¯µç×èºÍ VCC µçÈÝ
ÄÚ²¿¼¯³É 500V ¹¦ÂʹÜ
¡À5% LED Êä³öµçÁ÷¾«¶È
LED ¿ªÂ·±£»£»£»£»£»£»¤
LED ¶Ì·±£»£»£»£»£»£»¤
¹ýÈȵ÷Àí¹¦Ð§
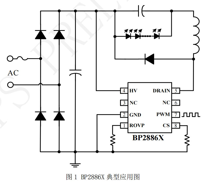
½ÓÄÉ SOP-8 ·â×°
| ÎĵµÀàÐÍ | ÎÊÌâ | ÀàÐÍ | ÎļþÏÂÔØ |
| ¹æ¸ñÊé | BP2886F | ÍêÕû°æ |



