ÓÀÀû

304amÓÀÀû¡¤(Öйú)¹É·ÝÓÐÏÞ¹«Ë¾-Officialwebsite Ä¿½ñλÖ㺠Ê×Ò³ ²úÆ·ÖÐÐÄ>LEDÕÕÃ÷Çý¶¯Ð¾Æ¬>·Çµ÷¹â>¸¨ÖúµçÔ´
¼òÊö
BP6526B ÊÇÒ»¿î¸ßЧÖÇÄÜת»»Æ÷£¬ £¬£¬£¬£¬Àο¿Êä³öµçѹ5V¡£¡£ ¡£¡£¡£ ¡£¡£¡£ µ±ÊäÈëµçѹ¹æÄ£ÔÚ 12~13V ʱ£¬ £¬£¬£¬£¬×î´óÊä³öµçÁ÷ 110mA¡£¡£ ¡£¡£¡£ ¡£¡£¡£ µ±ÊäÈëµçѹ¹æÄ£ÔÚ 13~30V ʱ£¬ £¬£¬£¬£¬×î´óÊä³öµçÁ÷ 150mA¡£¡£ ¡£¡£¡£ ¡£¡£¡£ BP6526B Ïà±È¹Å°åÏßÐÔ LDO ЧÂÊÏÔÖøÌáÉý¡£¡£ ¡£¡£¡£ ¡£¡£¡£ ÍâΧÎÞÐè´¢Äܵç¸Ð£¬ £¬£¬£¬£¬ÓÐÀûÓÚÓÅ»¯ÏµÍ³Ìå»ýºÍ±¾Ç®¡£¡£ ¡£¡£¡£ ¡£¡£¡£ BP6526B ¼¯³É¶àÖÖ±£»£»£» £» £»¤¹¦Ð§¡£¡£ ¡£¡£¡£ ¡£¡£¡£
ÓÅÊÆ

    ÊäÈëµçѹ 12-30V

    Àο¿Êä³ö 5V

    ×î´óÊä³öµçÁ÷ 150mA

    ÎÞÐè´¢Äܵç¸Ð

    ¸ÄÉÆ EMI ÐÔÄܵĶ¶ÆµÊÖÒÕ

    ±£»£»£» £» £»¤¹¦Ð§

Ó¦ÓÃÁìÓò
  • DC/DC ¸¨ÖúµçÔ´
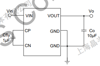
µä·¶Ó¦ÓÃÔ­Àíͼ
304amÓÀÀû¡¤(Öйú)¹É·ÝÓÐÏÞ¹«Ë¾-Officialwebsite
·â×°
  • 304amÓÀÀû¡¤(Öйú)¹É·ÝÓÐÏÞ¹«Ë¾-Officialwebsite
ÊÖÒÕÎĵµ
ÎĵµÀàÐÍ ÎÊÌâ ÀàÐÍ ÎļþÏÂÔØ
¹æ¸ñÊé BP6526B pdf ÍêÕû°æ
304amÓÀÀû¡¤(Öйú)¹É·ÝÓÐÏÞ¹«Ë¾-Officialwebsite
304amÓÀÀû¡¤(Öйú)¹É·ÝÓÐÏÞ¹«Ë¾-Officialwebsite
304amÓÀÀû¡¤(Öйú)¹É·ÝÓÐÏÞ¹«Ë¾-Officialwebsite
304amÓÀÀû¡¤(Öйú)¹É·ÝÓÐÏÞ¹«Ë¾-Officialwebsite
¡¾ÍøÕ¾µØÍ¼¡¿¡¾sitemap¡¿