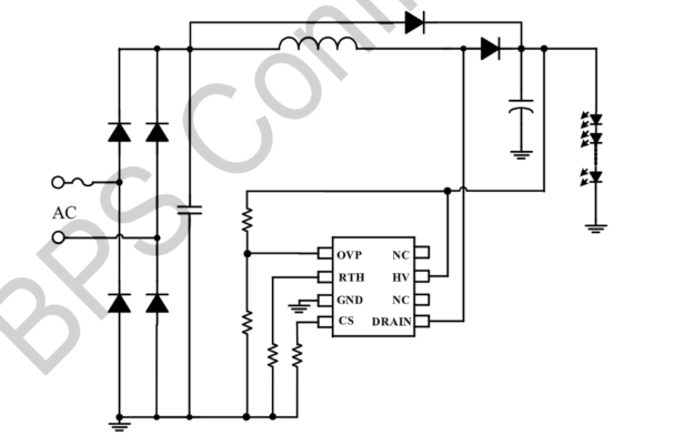
ÄÚÖà COMP ±Õ»·ºãÁ÷¿ØÖÆ
ÁÙ½çÒ»Á¬µçÁ÷¿ØÖÆÄ£Ê½
¼¯³É600V¸ßѹJFET¹©µç£¬£¬£¬£¬£¬£¬£¬£¬ÎÞVCCµçÈÝ
¡À5% LED Êä³öµçÁ÷¾«¶È
¾«×¼µÄ LED ¿ªÂ·±£»£»£»£»£»£»¤
RTH É趨¹ýÈȵ÷Àí¹¦Ð§
½ÓÄÉ SOP-8 ·â×°
| ÎĵµÀàÐÍ | ÎÊÌâ | ÀàÐÍ | ÎļþÏÂÔØ |
| ¹æ¸ñÊé | BP2616B | ÍêÕû°æ |



