ÓÀÀû

304amÓÀÀû¡¤(Öйú)¹É·ÝÓÐÏÞ¹«Ë¾-Officialwebsite Ä¿½ñλÖ㺠Ê×Ò³ ²úÆ·ÖÐÐÄ>LEDÕÕÃ÷Çý¶¯Ð¾Æ¬>·Çµ÷¹â>ºãѹºãÁ÷
¼òÊö
BP3539 ÊÇÒ»¿îµÍ¹¦ºÄºãѹºãÁ÷¿ØÖÆÐ¾Æ¬¡£¡£¡£¡£¡£ÖØÔØ×´Ì¬ÏÂоƬ¹¤ÔÚµç¸ÐµçÁ÷ÁÙ½çÒ»Á¬Ä£Ê½£¬£¬£¬£¬£¬£¬ £¬£¬ÇáÔØ×´Ì¬ÏÂоƬÊÂÇéÔÚµç¸ÐµçÁ÷¶ÏÐøµ¼Í¨Ä£Ê½£¬£¬£¬£¬£¬£¬ £¬£¬ÊÊÓÃÓÚ 85Vac~265Vac È«¹æÄ£ÊäÈëµçѹµÄ¸ôÀëµçÔ´¡£¡£¡£¡£¡£ BP3539 оƬ¼¯³É¸ßѹÆô¶¯ºÍ¹©µçµç·£¬£¬£¬£¬£¬£¬ £¬£¬½ÓÄÉPWM/PFM ¶àģʽ¿ØÖÆÊÖÒÕ£¬£¬£¬£¬£¬£¬ £¬£¬´Ó¸¨ÖúÈÆ×鏸VCC¹©µç£¬£¬£¬£¬£¬£¬ £¬£¬ÄÜÓÐÓýµµÍϵͳ´ý»ú¹¦ºÄ£¬£¬£¬£¬£¬£¬ £¬£¬Ìá¸ßЧÂʺͶ¯Ì¬ÐÔÄÜ£¬£¬£¬£¬£¬£¬ £¬£¬²¢¼õСϵͳÊÂÇéÔÚÇáÔØÊ±µÄÔëÉù£¬£¬£¬£¬£¬£¬ £¬£¬ BP3539 ¾ßÓжàÖØ±£»£»£»£»£»£»¤¹¦Ð§£¬£¬£¬£¬£¬£¬ £¬£¬°üÀ¨Êä³ö¿ªÂ·/¶Ì·±£»£»£»£»£»£»¤¡¢Ð¾Æ¬¹©µçǷѹ/¹ýѹ±£»£»£»£»£»£»¤¡¢CS ¿ªÂ·±£»£»£»£»£»£»¤¡¢¸±±ß¶þ¼«¹Ü¶Ì·±£»£»£»£»£»£»¤¡¢ÖðÖÜÏÞÆÚÁ÷¡¢¹ýα£»£»£»£»£»£»¤µÈ¡£¡£¡£¡£¡£
ÓÅÊÆ

    µÍ´ý»ú¹¦ºÄ

    ½ÓµÆ´ø¸ºÔØÕ¶²¨µ÷¹âÎÞÉÁׯ

    È«¸ºÔعæÄ£ÄÚµÍÔëÉù

    ¼¯³É¸ßѹÆô¶¯ºÍ¹©µçµç·

    PWM/PFM¡¢×¼Ð³Õñ¶àģʽ¿ØÖÆ

    ¡À5%Êä³öµçÁ÷¾«¶È

Ó¦ÓÃÁìÓò
  • ÊÊÅäÆ÷µçÔ´
  • С¼ÒµçµçÔ´
  • µç»úÇý¶¯µçÔ´
  • LED Çý¶¯µçÔ´
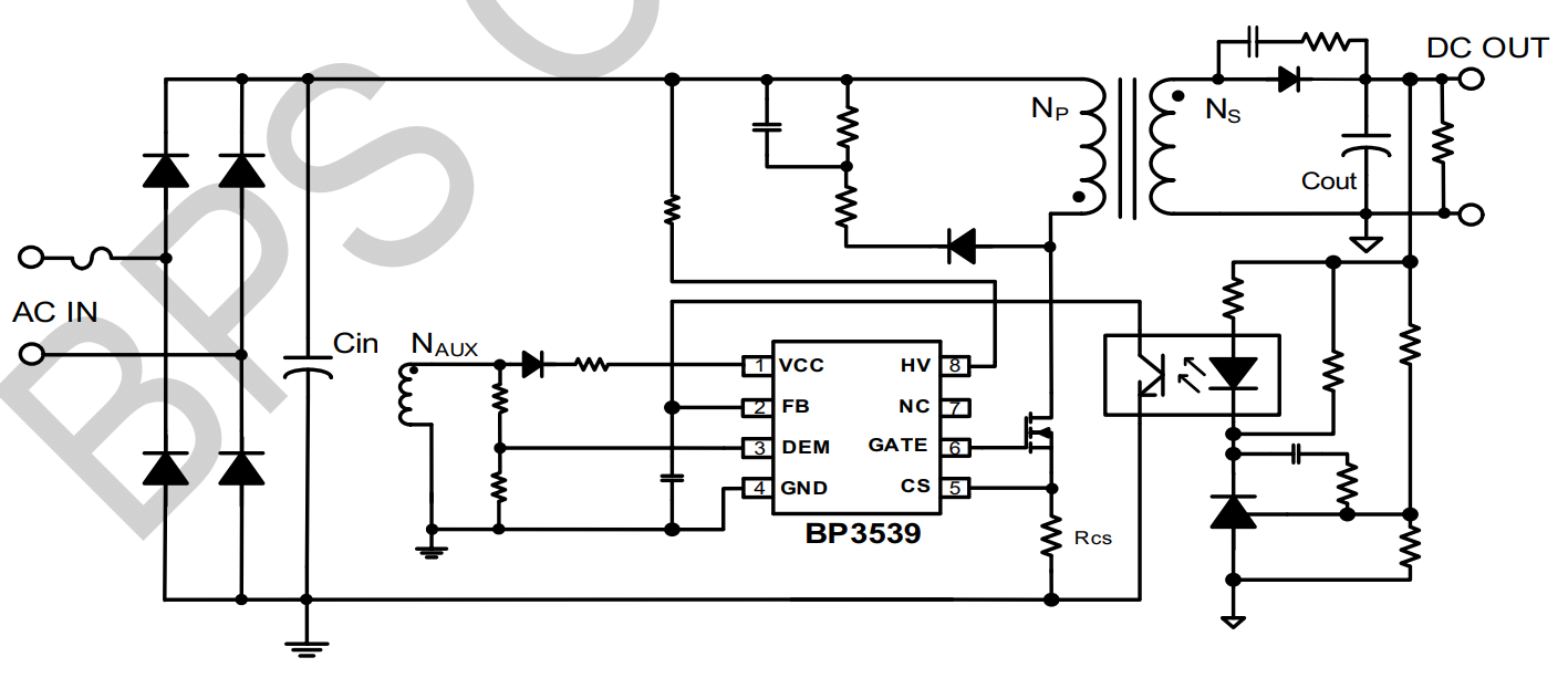
µä·¶Ó¦ÓÃÔ­Àíͼ
304amÓÀÀû¡¤(Öйú)¹É·ÝÓÐÏÞ¹«Ë¾-Officialwebsite
·â×°
  • 304amÓÀÀû¡¤(Öйú)¹É·ÝÓÐÏÞ¹«Ë¾-Officialwebsite
ÊÖÒÕÎĵµ
ÎĵµÀàÐÍ ÎÊÌâ ÀàÐÍ ÎļþÏÂÔØ
¹æ¸ñÊé BP3539 pdf ÍêÕû°æ
304amÓÀÀû¡¤(Öйú)¹É·ÝÓÐÏÞ¹«Ë¾-Officialwebsite
304amÓÀÀû¡¤(Öйú)¹É·ÝÓÐÏÞ¹«Ë¾-Officialwebsite
304amÓÀÀû¡¤(Öйú)¹É·ÝÓÐÏÞ¹«Ë¾-Officialwebsite
304amÓÀÀû¡¤(Öйú)¹É·ÝÓÐÏÞ¹«Ë¾-Officialwebsite
¡¾ÍøÕ¾µØÍ¼¡¿¡¾sitemap¡¿