永利

304am永利·(中国)股份有限公司-Officialwebsite 目今位置: 首页 产品中心>LED照明驱动芯片>非调光>线性恒流
简述
BP5336HD 是一款高精度分段线性恒流 LED控制芯片,,,,,,,集成磷七压整流管和 JFET高压供电功效。。。。。 。。。主要用于驱动由市电供电的高电压、低电流 LED 灯串。。。。。 。。。由于不需要电解电容和磁性元件,,,,,,,LED驱动器可以实现小体积、长寿命,,,,,,,并切合EMI划定。。。。。 。。。 BP5336HD 可以通过外部电阻准确的设定LED电流,,,,,,,芯片通过优化分段导通时的电流,,,,,,,有利于减小 THD。。。。。 。。。 BP5336HD 具有过温调理功效。。。。。 。。。当输入电压过高,,,,,,,或者LED电流过大时,,,,,,,此功效将降低输出电流。。。。。 。。。 BP5336HD 集成了输入线电压赔偿功效,,,,,,,在输入线电压过高时,,,,,,,BP5336HD 将凭证外置的赔偿电阻减小输出电流,,,,,,,包管输入功率基本不随线电压转变。。。。。 。。。
优势

    外围电路很是简朴,,,,,,,驱动器体积很是小

    无需电解电容和磁性元件

    650V 高压MOS管

    母线电压转变±20%仍可事情

    超快 LED 启动

    LED 电流可外部设定

    输入线电压赔偿功效

应用领域
  • GU10/E27 LED 球泡灯、射灯
  • LED 蜡烛灯
  • 其它 LED 照明
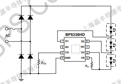
典范应用原理图
304am永利·(中国)股份有限公司-Officialwebsite
封装
  • 304am永利·(中国)股份有限公司-Officialwebsite
手艺文档
文档类型 问题 类型 文件下载
规格书 BP5336HD pdf 完整版
304am永利·(中国)股份有限公司-Officialwebsite
304am永利·(中国)股份有限公司-Officialwebsite
304am永利·(中国)股份有限公司-Officialwebsite
304am永利·(中国)股份有限公司-Officialwebsite
【网站地图】【sitemap】