永利

304am永利·(中国)股份有限公司-Officialwebsite 目今位置: 首页 产品中心>LED照明驱动芯片>非调光>线性恒流
简述
BP5228FE是一款高 PF无频闪的线性恒流LED 控制芯片, ,,,,集成磷七压 MOS 管和 JFET 高压供电功效。。。。。主要用于高压输入的高功率因数的种种光源和灯具的驱动, ,,,,能知足海内最新 ERP标准, ,,,,同时具有优异的线性调解率。。。。。由于不需要磁性元件, ,,,,LED驱动器可以实现小体积、长寿命, ,,,,并切合EMI划定。。。。。 BP5228FE 可以通过外部电阻准确的设定LED 电流和电容充电电流,且具有线电压赔偿功效, ,,,,从而提高线性调解率。。。。。BP5228FE 具有高精度的过温调理功效。。。。。当输入电压过高, ,,,,或者 LED 电流过大时, ,,,,此功效将降低输出电流。。。。。
优势

    知足海内新 ERP 标准

    PF>0.7, ,,,,无频闪

    外围电路很是简朴, ,,,,驱动器体积很是小

    无需磁性元件

    超快 LED 启动

    ±5%LED 输出电流精度

    LED 电流可外部设定

应用领域
  • GU10/E27 LED 球泡灯、射灯
  • LED 蜡烛灯、灯丝灯
  • 其它 LED 照明
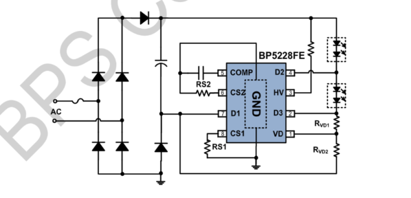
典范应用原理图
304am永利·(中国)股份有限公司-Officialwebsite
封装
  • 304am永利·(中国)股份有限公司-Officialwebsite
手艺文档
文档类型 问题 类型 文件下载
规格书 BP5228FE pdf 完整版
相关文章
  • 宽输入无频闪 | 新国标线性计划

    2024-08-16
304am永利·(中国)股份有限公司-Officialwebsite
304am永利·(中国)股份有限公司-Officialwebsite
304am永利·(中国)股份有限公司-Officialwebsite
304am永利·(中国)股份有限公司-Officialwebsite
【网站地图】【sitemap】