永利

304am永利·(中国)股份有限公司-Officialwebsite 目今位置: 首页 产品中心>LED照明驱动芯片>非调光>线性恒流
简述
BP5218EC是一款无频闪的线性恒流LED控制芯片,,,, ,集成磷七压 MOS 管和 JFET 高压供电功效。。 。。。主要用于高压输入的种种光源和灯具的驱动,,,, ,能知足欧洲最新 ERP 标准。。 。。。由于不需要磁性元件,,,, ,LED 驱动器可以实现小体积、长寿命,,,, ,并切合EM划定。。 。。。 BP5218EC 可以通过外部电阻准确的设定 LED电流,,,, ,且内置线电压赔偿功效,,,, ,从而提高线性调解率。。 。。。BP5218EC 具有高精度的过温调理功效。。 。。。当输入电压过高,或者 LED 电流过大时,此功效将降低输出电流。。 。。。
优势

    知足欧洲新 ERP 标准

    PF>0.5,,,, ,无频闪

    内置线赔偿功效

    无需压敏,,,, ,抗浪涌800V 以上

    外围电路很是简朴,,,, ,驱动器体积很是小

    无需磁性元件

    超快 LED 启动

    士5% LED 输出电流精度

    LED 电流可外部设定

应用领域
  • GU10/E27 LED 球泡灯、射灯
  • LED 蜡烛灯、灯丝灯
  • 其它LED 照明
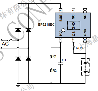
典范应用原理图
304am永利·(中国)股份有限公司-Officialwebsite
封装
  • 304am永利·(中国)股份有限公司-Officialwebsite
手艺文档
文档类型 问题 类型 文件下载
规格书 BP5218EC pdf 完整版
304am永利·(中国)股份有限公司-Officialwebsite
304am永利·(中国)股份有限公司-Officialwebsite
304am永利·(中国)股份有限公司-Officialwebsite
304am永利·(中国)股份有限公司-Officialwebsite
【网站地图】【sitemap】