ÊäÈë 90-277Vac
¸ß PF µÍ THD(PF>0.9£¬£¬£¬£¬£¬THD<15%)
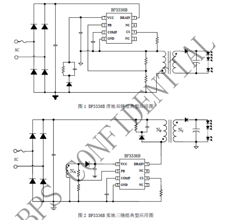
Ö§³ÖË«ÈÆ×é Flyback ÍØÆË£¬£¬£¬£¬£¬ÎÞÐ踨ÖúÈÆ×é
ÄÚÖøßѹÆô¶¯£¬£¬£¬£¬£¬Æô¶¯Ê±¼ä<500ms
¸ß¾«¶ÈµçÁ÷²Î¿¼(+/-3%)ÓÅ
ÒìµÄÏßÐÔ¡¢¸ºÔص÷½âÂÊ
Áٽ絼ͨģʽµÍÊÂÇéµçÁ÷
vCc Ç·Ñ¹Ëø¶¨
ÖðÖÜÏÞÆÚÁ÷
Êä³ö¿ªÂ·/¶Ì·±£»£»£»£»£»£»¤
¹ýνµµçÁ÷
Ö§³Ö SOP-8 ·â×°
| ÎĵµÀàÐÍ | ÎÊÌâ | ÀàÐÍ | ÎļþÏÂÔØ |
| ¹æ¸ñÊé | BP3336B | ÍêÕû°æ |



