永利

304am永利·(中国)股份有限公司-Officialwebsite 目今位置: 首页 产品中心>AC/DC电源治理芯片>隔离电源>SR同步整流
简述
BP6211BS 是一款高集成度、高性能、自供电的同步整流控制芯片,,,,,,,,内置功率 MOSFET,,,,,,,,支持CCM、DCM和 OR 事情模式:适用于高效率、高功率密度反激变换器应用。。。。。。 BP6211BS 接纳预关断事情模式,,,,,,,,驱动电压凭证功率 MOSFET压降自顺应调解,,,,,,,,加上超短的关断延时和高达4A的驱动下拉电流,,,,,,,,能够实现超快的关断速率,,,,,,,,使得系统能可靠事情于CCM 模式。。。。。。 BP6211BS 芯片内部使用了振铃检测电路,,,,,,,,阻止了在DCM模式下由于自由振荡引起误开通而导致的首次级共通问题。。。。。。同时内置前沿消隐时间,,,,,,,,可以避免寄生振荡误触发MOSFET提前关断,,,,,,,,从而包管同步整流稳固事情。。。。。。超短的开通延时可以增添MOSFET 导通时间以获得尽可能高的效率。。。。。。
优势

    集成 60V同步整流 MOSFET

    支持 CCM/DCM/QR 事情模式

    自顺应驱动电压,,,,,,,,超快关断速率,,,,,,,,避免CCM 模式

    首次级共通

    内置振铃检测,,,,,,,,避免 DCM 误开通

    可用于正端和负端整流

    芯片自供电,,,,,,,,正端整流无需辅助供电绕组

应用领域
  • QC/USB-PD/可编程 AC-DC 充电器
  • 高效率电源适配器
  • 高效率、高功率密度反激变换器
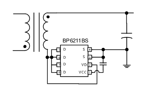
典范应用原理图
304am永利·(中国)股份有限公司-Officialwebsite
封装
  • 304am永利·(中国)股份有限公司-Officialwebsite
手艺文档
文档类型 问题 类型 文件下载
规格书 BP6211BS pdf 完整版
304am永利·(中国)股份有限公司-Officialwebsite
304am永利·(中国)股份有限公司-Officialwebsite
304am永利·(中国)股份有限公司-Officialwebsite
304am永利·(中国)股份有限公司-Officialwebsite
【网站地图】【sitemap】