永利

304am永利·(中国)股份有限公司-Officialwebsite 目今位置: 首页 产品中心>AC/DC电源治理芯片>非隔离电源
简述
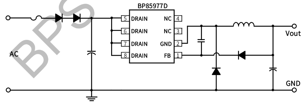
BP85977D 是一款高性能、高集成度、低待机功耗的开关电源驱动芯片,,,,,,,适用于全电压 85~265VAC输入的 Buck、Buck-Boost等变换器拓扑应用。。。。。 BP85977D 内部集成了650V高压MOSFET、高压启动和自供电电路、电流采样电路以及电压反响电路,,,,,,,接纳先进的控制手艺,,,,,,,无需环路赔偿即可实现优异的恒压输出特征,,,,,,,极大地镌汰了外围器件数目,,,,,,,节约了系统本钱和体积,,,,,,,同时提高了可靠性。。。。。BP85977D 芯片接纳多模式控制手艺,,,,,,,能有用降低系统待机功耗,,,,,,,提高效率和改善动态性能,,,,,,,并减小系统事情在轻载时的音频噪声。。。。。
优势

    内部集成 650V 高压 MOSFET

    集成高压启动和自供电电路

    集成输出电压采样

    低待机功耗

    牢靠 18V 输出

    优异的动态响应速率,,,,,,,输出电压纹波小

应用领域
  • 小家电辅助电源
  • 电机驱动辅助电源
  • IOT/智能家居/智能照明
典范应用原理图
304am永利·(中国)股份有限公司-Officialwebsite
封装
  • 304am永利·(中国)股份有限公司-Officialwebsite
手艺文档
文档类型 问题 类型 文件下载
规格书 BP85977D pdf 完整版
304am永利·(中国)股份有限公司-Officialwebsite
304am永利·(中国)股份有限公司-Officialwebsite
304am永利·(中国)股份有限公司-Officialwebsite
304am永利·(中国)股份有限公司-Officialwebsite
【网站地图】【sitemap】