永利

304am永利·(中国)股份有限公司-Officialwebsite 目今位置: 首页 产品中心>AC/DC电源治理芯片>非隔离电源
简述
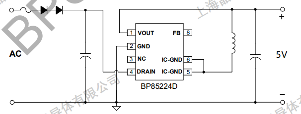
BP85224D 是一款高性能、高集成度、低待机功耗的开关电源驱动芯片,,,, ,,适用于全电压 85-265VAC 输入的 Buck、Buck-Boost 变换器拓扑应用。。。。 。 BP85224D 芯片内部集成 650V 高压 MOSFET、高压启动和自供电电路、电流采样电路、电压反响电路以及续流二极管,,,, ,,接纳先进的控制手艺,,,, ,,无需外部VCC电容和环路赔偿即可实现优异的恒压输出特征,,,, ,,极大地镌汰外围器件数目,,,, ,,降低系统本钱和体积,,,, ,,提高可靠性。。。。 。 BP85224D 芯片接纳多模式控制手艺,,,, ,,降低系统待机功耗,,,, ,,提高效率和动态性能,,,, ,,减小系统事情在轻载时的噪声。。。。 。
优势

    集成 VCC 电容、续流二极管和反响二极管

    内部集成 650V 高压 MOSFET

    集成高压启动和自供电电路

    低待机功耗 50mW@230Vac

    牢靠 5V 输出

    优异的动态响应速率,,,, ,,输出电压纹波小

应用领域
  • 小家电辅助电源
  • 电机驱动辅助电源
  • IOT/智能家居/智能照明
典范应用原理图
304am永利·(中国)股份有限公司-Officialwebsite
封装
  • 304am永利·(中国)股份有限公司-Officialwebsite
手艺文档
文档类型 问题 类型 文件下载
规格书 BP85224D pdf 完整版
304am永利·(中国)股份有限公司-Officialwebsite
304am永利·(中国)股份有限公司-Officialwebsite
304am永利·(中国)股份有限公司-Officialwebsite
304am永利·(中国)股份有限公司-Officialwebsite
【网站地图】【sitemap】