永利

304am永利·(中国)股份有限公司-Officialwebsite 目今位置: 首页 产品中心>AC/DC电源治理芯片>非隔离电源
简述
BP85226DF 是一款高性能、高集成度、低待机功耗的开关电源驱动芯片,,,,,,,适用于全电压 85~265VAC 输入的 Buck、Buck-Boost 变换器拓扑应用。。。。。。。。 BP85226DF 内部集成了 650V 高压 MOSFET、高压启动和供电电路、电流采样电路、电压反响电路以及续流二极管,,,,,,,接纳先进的控制手艺,,,,,,,无需外部 VCC 电容和环路赔偿即可实现优异的恒压输出特征,,,,,,,极大地镌汰了外围器件数目,,,,,,,节约了系统本钱和体积,,,,,,,同时提高了可靠性。。。。。。。。
优势

    集成 VCC 电容、续流二极管和反响二极管集成 650V 高压 MOSFET

    集成高压启动和自供电电路

    低待机功耗 50mW@230Vac

    优异的动态响应速率,,,,,,,输出电压纹波小

    优异的负载调解率和线性调解率

应用领域
  • 小家电辅助电源
  • 电机驱动辅助电源
  • IOT/智能家居/智能照明
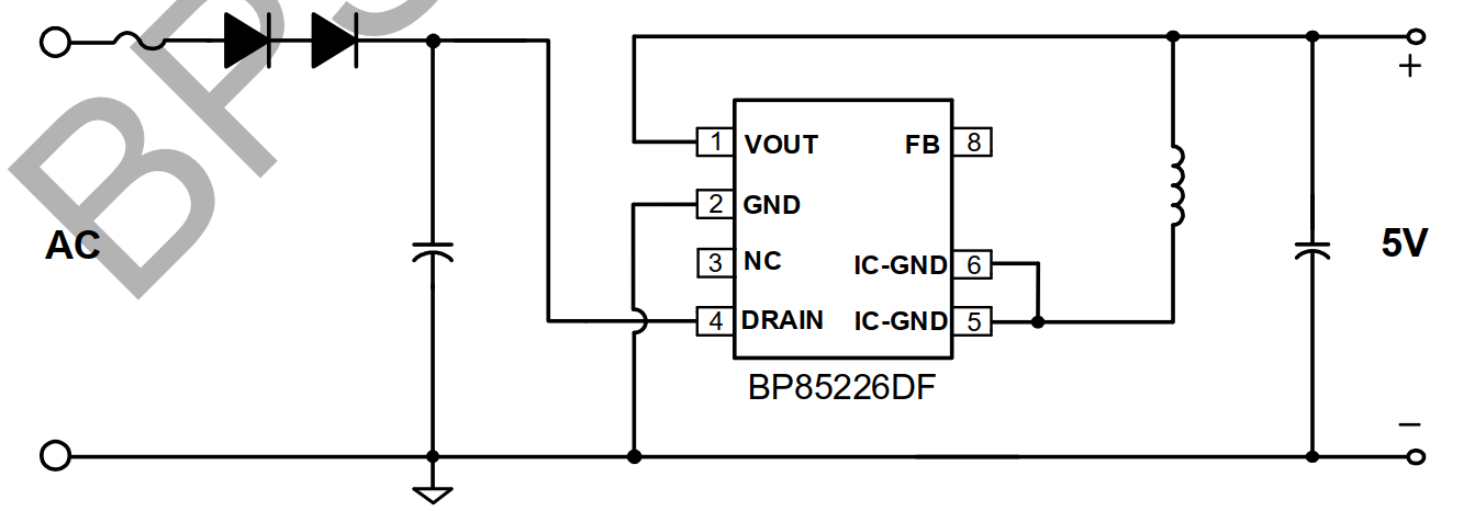
典范应用原理图
304am永利·(中国)股份有限公司-Officialwebsite
封装
  • 304am永利·(中国)股份有限公司-Officialwebsite
手艺文档
文档类型 问题 类型 文件下载
规格书 BP85226DF pdf 浅易版 完整版
304am永利·(中国)股份有限公司-Officialwebsite
304am永利·(中国)股份有限公司-Officialwebsite
304am永利·(中国)股份有限公司-Officialwebsite
304am永利·(中国)股份有限公司-Officialwebsite
【网站地图】【sitemap】