永利

304am永利·(中国)股份有限公司-Officialwebsite 目今位置: 首页 产品中心>AC/DC电源治理芯片>非隔离电源
简述
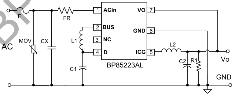
BP85223AL 是一款高性能、高集成度、低待机功耗的开关电源驱动芯片,,,,,,,,适用于全电压85~265VAC输入的Buck、Buck-Boost 变换器拓扑应用。 。。。。。。 BP85223AL 芯片内部集成1600V整流极管、550V高压MOSFET、高压启动和自供电电路、电流采样电路、电压反响电路以及续流二极管,,,,,,,,接纳先进的控制手艺,,,,,,,,无需外部VCC电容和环路赔偿即可实现优异的恒压输出特征,,,,,,,,极大地镌汰外围器件数目,,,,,,,,降低系统本钱和体积,,,,,,,,提高可靠性。 。。。。。。
优势

    集成 1600V 整流二极管

    集成 VCC 电容、续流二极管和反响二极管

    内部集成 550V 高压 MOSFET

    集成高压启动和自供电电路

    内置软启动功效

    低待机功耗 50mW@230Vac

应用领域
  • 小家电辅助电源
  • 电机驱动辅助电源
  • IOT/智能家居/智能照明
典范应用原理图
304am永利·(中国)股份有限公司-Officialwebsite
封装
  • 304am永利·(中国)股份有限公司-Officialwebsite
手艺文档
文档类型 问题 类型 文件下载
规格书 BP85223AL pdf 完整版
相关文章
  • BP85223AL | 集成整流桥,,,,,,,,小家电电源的"芯"选择

    2024-08-19
304am永利·(中国)股份有限公司-Officialwebsite
304am永利·(中国)股份有限公司-Officialwebsite
304am永利·(中国)股份有限公司-Officialwebsite
304am永利·(中国)股份有限公司-Officialwebsite
【网站地图】【sitemap】