永利

304am永利·(中国)股份有限公司-Officialwebsite current location: Home Product Center>LED Lighting Driver IC>Dimmable>DC-DC PWM Dimming
Sketch
The BP1808 is a DC/DC constant current LED driver with an integrated 70V/300mΩ MOSFET designed for a wide input-voltage range of 3V to 60V. The BP1808 can be configured as Buck, Boost and Buck- Boost topology.
Advantage

    Wide 3V to 60V Input Voltage Range

    Supporting Boost, Buck-Boost, Buck Topology

    Integrated 70V/300mQ MOSFET

    ±3% LED Output Current Accuracy

    Combined Analog and PWM Dimming

    Fixed 420kHz operating Frequency

    Adjustable Soft-Start

    Cycle-by-Cycle Peak Current Limiting

    VDD Under Voltage Protection

    Programmable Over Voltage Protection

    Thermal Regulation Function

    Available in SOP8-EP Package

Application area
  • MR16 LED Lighting
  • Smart Dimming LED lighting
  • Automotive LED Lighting
  • Solar LED lighting
  • Other LED Lighting
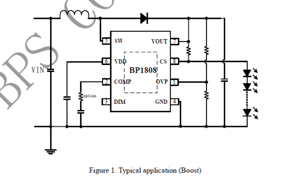
Schematic diagram
304am永利·(中国)股份有限公司-Officialwebsite
Technical documents
Document type Title Type Download
Specification sheet BP1808 pdf Easy version Full version
【网站地图】【sitemap】