永利

304am永利·(中国)股份有限公司-Officialwebsite current location: Home Product Center>LED Lighting Driver IC>Dimmable>Non-Isolated PWM Dimming
Sketch
BP2878K is a PWM dimmable high-precision low power factor buck for constant current LED driver. Internal the IC, it has PWM to analog dimming algorithm. It is designed for flicker-free and noiseless LED smart lighting applications. It is also optimized for linearity of dimming and output LED current accuracy. It is suitable for 85Vac~265Vac input voltage range.
Advantage

    PWM to analog dimming algorithm

    Flicker-free dimming

    Stepless dimming

    External power supply for VCC

    1%-100% PWM dimming

    ±5% output LED current accuracy

    LED open/short circuit protection

    Thermal foldback

    SOP8 package

Application area
  • LED Smart Bulbs
  • LED Smart Ceiling lamps
  • Other Smart LED lighting
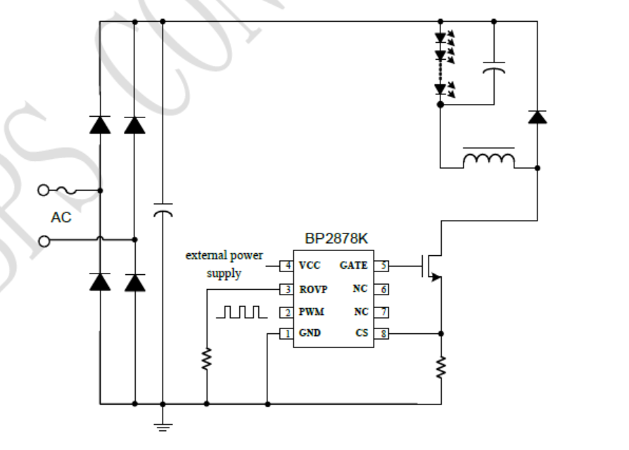
Schematic diagram
304am永利·(中国)股份有限公司-Officialwebsite
Technical documents
Document type Title Type Download
【网站地图】【sitemap】