永利

304am永利·(中国)股份有限公司-Officialwebsite current location: Home Product Center>LED Lighting Driver IC>Non-Dimmable>Linear Driver
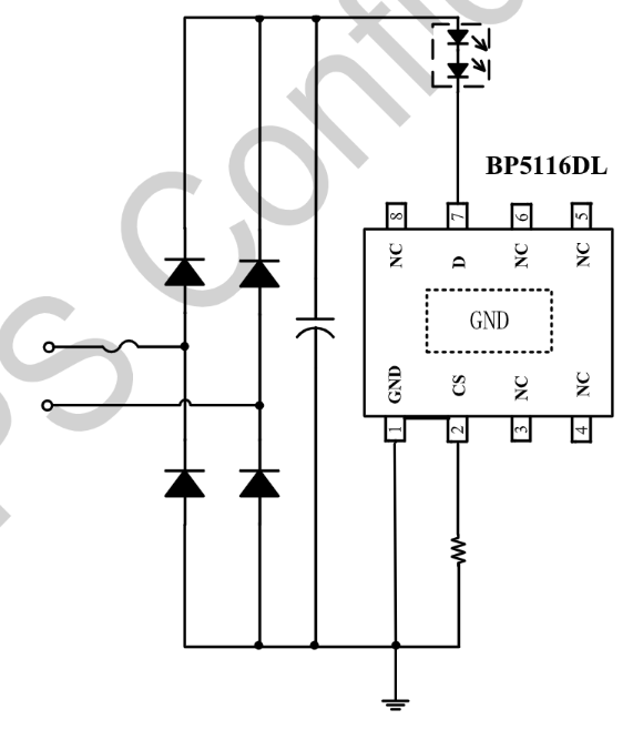
Sketch
BP5116DL is a high-precision single-stage linear constant current LED control chip that integrates a high-voltage MOSFET and JFET high-voltage power supply function. It is mainly used to drive high-voltage, low-current LED strings powered by mains electricity. Due to the absence of magnetic components, the LED driver can achieve a small size, long lifespan, and comply with EMI regulations.
Advantage

    The peripheral circuit is very simple and the driver is very small in size

    No magnetic components are needed

    It features a 500V high-voltage MOSFET and no varistor is required

    It has an ultra-fast LED startup

    ±5% LED output current accuracy

Application area
  • GU10/E27 LED bulb, spotlight, LED insect candle lamp and other LED lighting products
Schematic diagram
304am永利·(中国)股份有限公司-Officialwebsite
Package
  • 304am永利·(中国)股份有限公司-Officialwebsite
【网站地图】【sitemap】