永利

304am永利·(中国)股份有限公司-Officialwebsite current location: Home Product Center>LED Lighting Driver IC>Non-Dimmable>AC/DC Non-Isolated Low PF(with MOS integrated)
Sketch
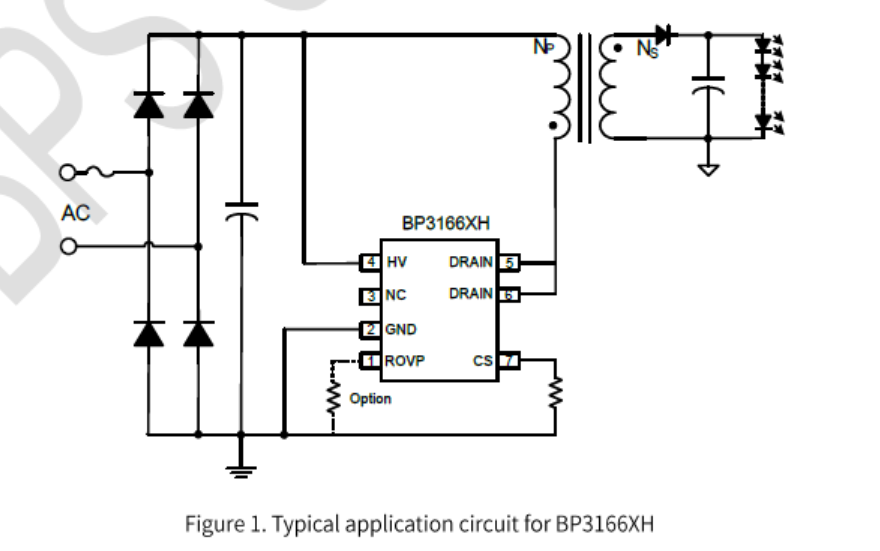
The BP3166XH is a high precision primary-sidefeedback and regulation controller for LED lighting, itoperates in constant current control mode and isdesigned to work in inductor current discontinuousconduction mode and especially suitable for flybackconvertor under universal input.
Advantage

    No VCC capacitor and no starting resistanceI

    ntegrated HV JFET for Power Supply

    No Auxiliary winding for sensing and supplyingUniversal input voltage

    土5% LED Output Current Accuracy

    LED Short Protection

    LED Open Protection

    Thermal regulationfunction

    EN function

    Package: SOP7

Application area
  • LED Bulb
  • LED Candle Light
  • Other LED Lighting
Schematic diagram
304am永利·(中国)股份有限公司-Officialwebsite
Package
  • 304am永利·(中国)股份有限公司-Officialwebsite
Technical documents
Document type Title Type Download
Specification sheet BP3166XH pdf Easy version Full version
【网站地图】【sitemap】