永利

304am永利·(中国)股份有限公司-Officialwebsite current location: Home Product Center>AC/DC Power Management IC>Isolated Power Supply>SR Snchronous Rectifier
Sketch
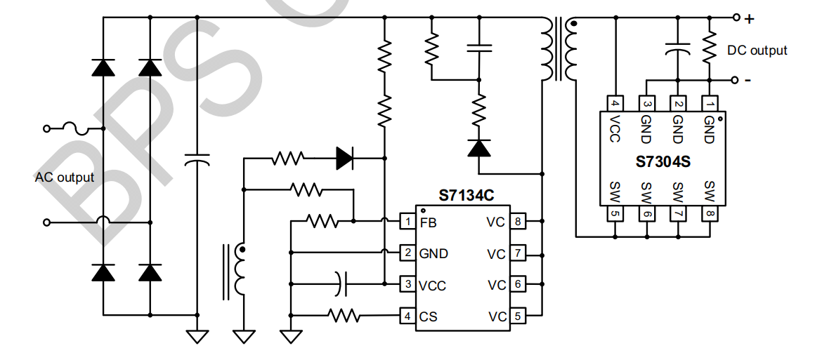
S7304S是一款高性能高集成度单片式次级同步整流控制芯片,,,,,,内部集成一个超低导通阻抗的N沟道的 MOSFET 以及一个同步整流的驱动及控制电路。。。。。 S7304S 被设计在非一连开关模式(DCM)下事情,,,,,,内部集成的高性能N沟道 MOSFET 具有低开启阀值电压、超低导通阻抗,,,,,,超快速开关特征。。。。。同时本体寄生的二极管具备超快速的反向恢复时间。。。。。
Advantage

    支持非一连模式(DCM)

    支持准谐振模式(ORM)

    内部集成高性能功率 MOSFET

    高度集成,,,,,,只需少少外围器件

Application area
  • 充电器和适配器的同步整流
  • 反激式控制器
  • 主要用于 5V/3.1A 输出
Schematic diagram
304am永利·(中国)股份有限公司-Officialwebsite
Package
  • 304am永利·(中国)股份有限公司-Officialwebsite
Technical documents
Document type Title Type Download
Specification sheet S7304S pdf Easy version Full version
【网站地图】【sitemap】