永利

304am永利·(中国)股份有限公司-Officialwebsite current location: Home Product Center>AC/DC Power Management IC>Non-Isolated Power Supply
Sketch
The BP85958P is a high performance, highly integratedpower supply switcher lC with low standby consumption.The BP85958P can be configured as buck, buck-boosttopologies for universal 85~265V AC inputs. The BP85958P integrates a 650 V power MOSFET, a high-voltage current source for self-biasing, a current sensingcircuit, an output feedback circuit, and an advancedcontroller. External loop compensation components canbe eliminated, which reduces cost and size ofoverall powersystems, and improves reliability.
Advantage

    Integrated 650V power MOSFET

    Integrated high-voltage current source for self-biasing

    Integrated output feedback circuit

    Fixed 12V output

    Excellent transient response, low output ripple

    Adaptive switching frequency, 48kHz maximum

    Frequency modulation for EMl improvement

Application area
  • Home appliances
  • Motor driver standby power
  • loT, smart home, smart LED drivers
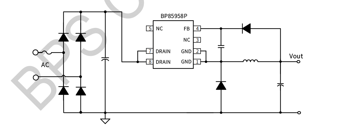
Schematic diagram
304am永利·(中国)股份有限公司-Officialwebsite
Package
  • 304am永利·(中国)股份有限公司-Officialwebsite
Technical documents
Document type Title Type Download
Specification sheet BP85958P pdf Full version
【网站地图】【sitemap】