永利

304am永利·(中国)股份有限公司-Officialwebsite current location: Home Product Center>AC/DC Power Management IC>Non-Isolated Power Supply
Sketch
The BP8522D is a high performance, highly integratedpower supply switcher lC with low standby consumption.The BP8522D can be configured as buck, buck-boosttopologies for universal 85~265V AC inputs.The BP8522D integrates a 550 V power MOSFET, a high-voltage current source for self-biasing, a current sensingcircuit, an output feedback circuit, a freewheeling diodeand an advanced controller.
Advantage

    Integrated VCC capacitor, freewheeling diode andfeedback diode

    Integrated 550V power MOSFE

    TIntegrated high-voltage current source for selfbiasing

    Internal soft start

    <50mW no load consumption at 230VAC

    Fixed 5V output

Application area
  • Home appliances
  • Motor driver standby power
  • loT, smart home, smart LED drivers
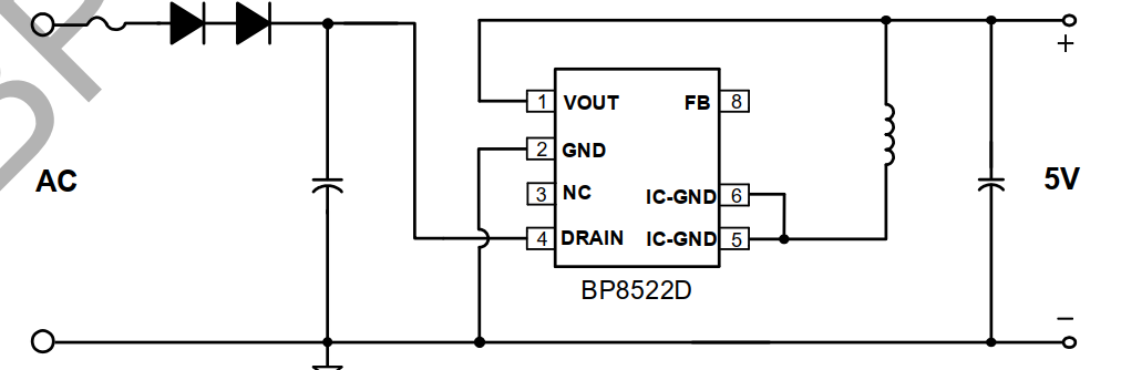
Schematic diagram
304am永利·(中国)股份有限公司-Officialwebsite
Package
  • 304am永利·(中国)股份有限公司-Officialwebsite
Technical documents
Document type Title Type Download
Specification sheet BP8522D pdf Full version
【网站地图】【sitemap】